Machine De Broyage Des Pseudo-Troncs De Bananiers

CONTEXTE

Le Cameroun occupe une place stratégique dans l'industrie bananière mondiale, étant le premier producteur de bananes de la zone Afrique, Caraïbes et Pacifique, et le cinquième producteur mondial. Cette production croissante génère cependant d'importants volumes de résidus agricoles, en particulier les pseudo-troncs de bananiers. Ces résidus sont généralement abandonnés ou brûlés, ce qui entraîne pollution, émissions de gaz à effet de serre, et perte d'une ressource à fort potentiel. Pourtant, leur structure fibreuse et leur teneur en eau en font une matière première exploitable dans divers domaines : biogaz, compost, panneaux de particules, fibres textiles et emballages biodégradables.

Ce projet avait pour objectif de concevoir un broyeur adapté aux conditions locales camerounaises afin de valoriser ces résidus agricoles et de réduire la dépendance aux équipements importés, souvent coûteux et peu adaptés aux réalités du terrain.

J'ai eu l'opportunité d'encadrer ce projet aux côtés du Dr. Betene Achille (Professeur à l'Université de l'École Normale Supérieure de l'Enseignement Technique). Nous avons accompagné trois étudiants — M. Ondoa, Mme Tefeu et Mme Weka — dans le cadre de l'obtention de leur diplôme d'enseignant technique.

Dans cette collaboration, le Dr. Betene s'est chargé de l'aspect pédagogique, tandis que j'étais responsable de l'encadrement technique. Ma mission consistait à accompagner les étudiants dans la compréhension et l'application des principes fondamentaux de la conception mécanique et agricole :

  • Prise en compte des contraintes physiques et mécaniques;
  • Dimensionnement et choix des composants;
  • Respect des normes de sécurité et d'efficacité relatives aux machines agricoles.

Mon accompagnement, réalisé sur une période de trois mois, leur a permis non seulement de finaliser une machine fonctionnelle, mais aussi de comprendre les défis liés à la conception d'un broyeur agricole, ainsi que les règles, normes et considérations mécaniques indispensables à ce type de projet.

Grâce à ce travail, les étudiants ont pu intégrer à la fois la rigueur technique et la dimension pédagogique dans leur démarche, et développer une machine qui illustre parfaitement l'alliance entre innovation locale, valorisation des déchets agricoles et formation technique appliquée.

CONTENU TECHNIQUE

Nous avons tout d'abord commencé par identifier le besoin, puis nous l'avons validé avant de procéder à une analyse fonctionnelle technique. Ci-dessous figure le diagramme FAST correspondant.

Diagramme FAST montrant l'analyse fonctionnelle du système de broyage
Diagramme FAST du système de broyage

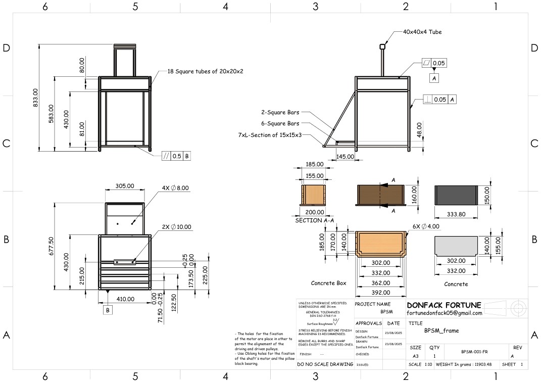
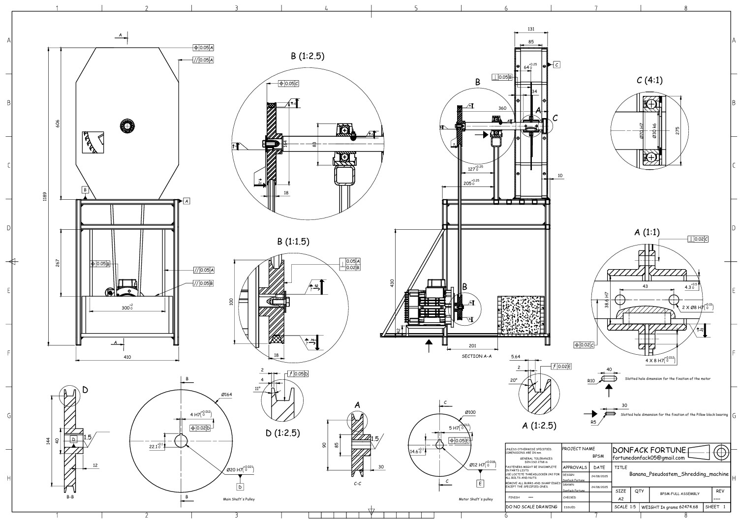
Par la suite, notre choix de conception s'est porté sur un broyeur mono-disque à poulies. Il s'agit d'un système à transmission de puissance par poulies-courroie, intégrant plusieurs sous-ensembles fonctionnels.

Le broyeur mono-disque à poulies présente plusieurs avantages par rapport aux autres solutions étudiées (voir document) :

  • Conception simplifiée : la transmission par courroie réduit le nombre d'éléments rigides, ce qui facilite l'entretien.
  • Transmission flexible : elle absorbe les désalignements et les chocs, limitant ainsi l'usure mécanique.
  • Encombrement réduit : l'architecture verticale optimise l'alimentation gravitaire et l'occupation de l'espace au sol.
  • Maintenance aisée : les composants sont accessibles, minimisant les temps d'intervention.
  • Coût optimisé : l'utilisation de pièces standardisées, facilement disponibles sur le marché, réduit les coûts de fabrication et d'entretien.

Description de fonctionnement

Le moteur électrique (1), fixé sur le bâti (10), transmet son mouvement de rotation à la poulie motrice (2). Celle-ci entraîne, par l'intermédiaire de la courroie (3), la poulie réceptrice (4), assurant une transmission souple et limitant les à-coups.

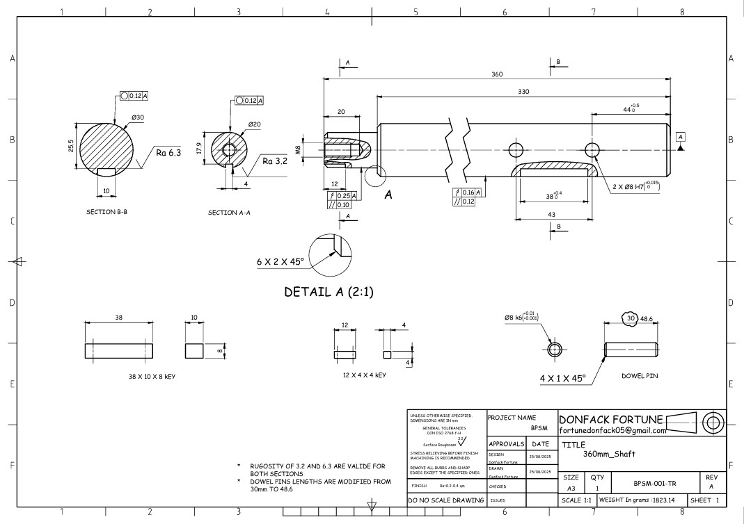
La poulie réceptrice (4), solidaire de l'arbre horizontal (5), communique sa rotation au disque à lames (7). L'arbre, maintenu par les paliers (6 et 8), garantit un mouvement stable et précis.

En rotation rapide, le disque à lames (7), placé au centre de la chambre de broyage (9), fragmente les pseudo-troncs introduits par l'entrée (E), grâce à un double effet de cisaillement et de force centrifuge.

Enfin, la pâte fibreuse obtenue est évacuée par la sortie (S) et récupérée dans le bac (10), supporté par la structure (9).

Schéma cinématique détaillé du broyeur mono-disque
Schéma cinématique du broyeur

Principe de broyage intégré

Considérons d'abord l'essai de pendule pesant:

Un banc d'essai basé sur un pendule pesant a été conçu pour quantifier la force de cisaillement nécessaire au tranchage du pseudo-tronc de bananier à une profondeur donnée. La figure présente la schématisation paramétrée du dispositif, intégrant les principaux éléments mécaniques.

Le système repose sur une barre rigide inextensible 3, articulée au point O via une charnière graduée 2, supportant un trancheur 4 de masse m. Lors du test, le pendule est écarté d'un angle α, correspondant à une hauteur de levée H, puis lâché sans vitesse initiale. La rotation induite permet d'impacter le pseudo-tronc 1 et simule le mécanisme de cisaillement par lame rotative.

Dispositif expérimental du pendule pesant pour mesurer la force de cisaillement
Dispositif d'essai de pendule pesant

Hypothèses

Pour cette étude, on considère que:

  • La barre 3 est rigide et inextensible, de longueur L = 500 mm
  • Le trancheur, assimilé à une masse ponctuelle m = 1 kg, est affûté comme une lame de disque.
  • Le pseudo-tronc de bananier est modélisé par un cylindre homogène de diamètre dst = 30 cm
  • Les forces aérodynamiques et pertes mécaniques sont négligées.
  • L'accélération de pesanteur est g = 10 m/s²

Le système est étudié dans le plan (xOy) avec un repère cartésien.

Résultats de l'expérience

Le tableau montre qu'à partir de α = 80°, une pénétration nette de p = 5,5 cm est observée, indiquant que la force de tranchage minimale est atteinte à cette configuration. Le tableau synthétise l'essai de cisaillement. Les images illustrent les effets du trancheur sur le pseudo-tronc à différents angles.

Tableau des résultats expérimentaux de l'essai de cisaillement
Résultats de l'essai de cisaillement

Le principe de Broyage est représenté ci-après:

À l'approche du disque 7, le pseudo-tronc est désintégré en une pâte fibreuse sous l'effet combiné du cisaillement et de la force centrifuge.

Schéma du principe de broyage par cisaillement et force centrifuge
Principe de broyage par cisaillement et force centrifuge

N.B: La détermination de la vitesse linéaire du trancheur, du travail de cisaillement et le choix des différents composants, etc., voir le document.

CONCLUSION

Dans ce projet, nous avons commencé avec une vision et des objectifs clairs. Cependant, au fur et à mesure de l'avancement, j'ai découvert que transmettre un savoir est bien plus complexe qu'il n'y paraît. Il ne suffit pas de donner des consignes : il faut s'assurer que chacun ait bien compris ce qu'il faut faire. La capacité d'un étudiant à résoudre un problème par lui-même dépend avant tout de sa compréhension précise des tâches à accomplir.

J'ai également compris que les éléments fondamentaux de la mécanique — tels que la physique appliquée, les choix de matériaux ou encore le dimensionnement — jouent un rôle déterminant. En effet, une erreur dans le dimensionnement se répercute directement sur la performance et la fiabilité de la machine.

Nous avons travaillé avec des outils simples mais essentiels, tels que la meule, les disques de coupe, le poste à soudure, ainsi que des instruments de mesure comme le mètre et le pied à coulisse. Leur utilisation rigoureuse a permis de réaliser un travail précis et soigné. Ces outils ont également servi de support pédagogique pour que les étudiants comprennent clairement :

  • pourquoi certaines coupes devaient être faites,
  • pourquoi certains angles de soudure étaient choisis,
  • et pourquoi l'utilisation d'un outil plutôt qu'un autre était nécessaire.

Cette approche a montré qu'il n'est pas toujours indispensable d'avoir recours à de grandes machines-outils comme les fraiseuses ou les tours pour concevoir un prototype fonctionnel. Bien utilisées, les ressources locales et les outils de base suffisent à produire un résultat de qualité, tout en renforçant l'apprentissage pratique des bases de la mécanique.

En somme, ce projet a été autant une réalisation technique qu'une expérience pédagogique, alliant conception mécanique, transmission des savoirs et valorisation des moyens accessibles localement.

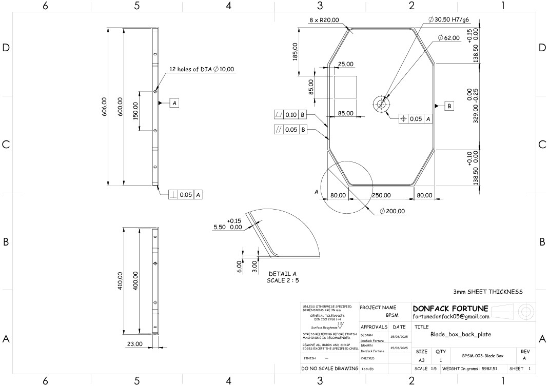
Dessin 2D

Detailed CAD model of the braking shoes for CC2200 locomotive showing all dimensions and mounting points
Banana Pseudo-shredder Machine
Retour aux Projets